
Island Microgrid Energy System
Energy Independence for Island Communities
Project Overview
Project Challenges
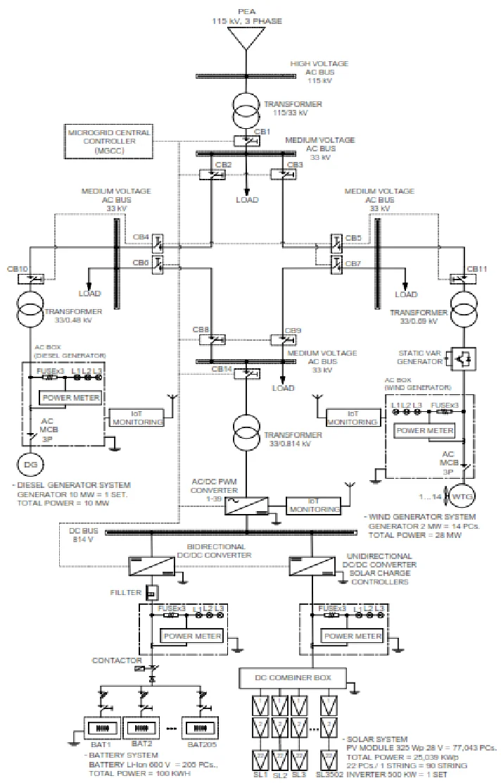
Solution Architecture
Technical Highlights
Project Results

Previous cases
Remote Industrial Microgrid Project
Next cases
Commercial Microgrid Project









